Terms & Conditions

Consumers Protection-ANPC

Copyright 2020 SMC-Auto

Site web creat în programul Webwave

10 November 2019
  General Specification Data 300 TDI Engine Type ................................................................................. Direct injection, turbocharged, intercooled Number of cylinders ......................................................... 4 Bore ................................................................................. 90,47 mm Stroke ............................................................................... 97,00 mm Capacity ........................................................................... 2495 cc Compression
09 November 2019
  Product Information My gearbox rattles on idle, in neutral, with the clutch up This is very common on Diesel engined vehicles. The clutch friction plate has a ring of springs,
10 November 2019
  General Specification Data 300 TDI Engine Type ................................................................................. Direct injection, turbocharged, intercooled Number of cylinders ......................................................... 4 Bore ................................................................................. 90,47 mm Stroke ............................................................................... 97,00 mm Capacity ........................................................................... 2495 cc Compression
09 November 2019
  Product Information My gearbox rattles on idle, in neutral, with the clutch up This is very common on Diesel engined vehicles. The clutch friction plate has a ring of springs,

FRC9845

 

 

RTC4490 Set de 6 pinioane 10-
16 diferential central cutie de transfer LT230 - 500lei

 

RTC3890G - Set garnituri cutie de transfer Land Rover Discovery, Defender -  90lei

 

 

RTRTC3397 - Set axe sateliti diferential central cutie de transfer - 85lei

 

 

LT230T Set reparatie cutie de transfer Land Rover Discovery, Defender - 700lei

 

 

FRC6968 - Saiba sateliti - 5lei

 

 

Piese si accesorii Land Rover

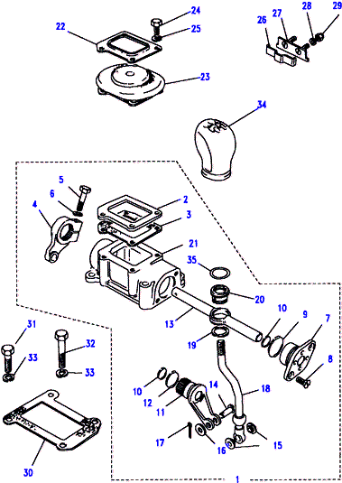
Cutie de transfer cu diferential blocabil LT230 

 

Comercializam la comanda  cutie de transfer second-hand cu diferential central blocabil,in stare foarte buna pentru Land Rover Discovery 1,2 si Defender tip LT230.

Preturile contin TVA , fara taxa de livrare.

Set garnituri

 

 

Pinion intrare

 

 

Pinioane High-Low

 

Mecanism blocare diferential central

 

Frana de parcare actionata cu parghii

 

Frana de parcare actionata direct cu cablu

 

Flansa spate

 

Flansa fata

 

Diferential

 

Cutie transfer asamblata

 

Carcasa fata cutie de transfer

 

Carcasa spate cutie de transfer

 

Carcasa intermediara pentru cutie de viteze automata

 

Ax si pinion intermediar

 

Arbore transmie fata

 

Ansamblu maneta cuplare cutie de transfer

 

 

Ansamblu maneta cuplare cutie de transfer LT230

 

09 November 2019
 Product Information I am not sure if the diff lock is working correctly, how do I check it ? To check diff lock adjustment:Put the handbrake on,Put the mainbox in
  1. ro
  2. en

SMC-

 Auto

         +40740312381